工作原理:
雷达液位计天线发射及窄的微波脉冲,这个脉冲以光速在空间传播,遇到被测介质表面,其部分能量被反射回来,被同一天线接收。发射脉冲与接收脉冲的时间间隔与天线到被测介质表面的距离成正比。由于电磁波的传播速度极高,发射脉冲与接收脉冲的时间间隔很小(纳秒量级)很难确认,20X系列26G雷达液位计采用一种特殊的解调技术,可以准确识别发射脉冲与接收脉冲的时间间隔,从而进一步计算出天线到被测介质表面的距离。
产品特点:
波束角小,能量集中,具有更强抗干扰能力,大大提高了测量精度和可靠性
天线尺寸小,便于安装和加防尘罩等天线防护装置
重量轻约1KG,便于安装
测量范围最高可达70米,覆盖大型水库等水位测量
多种输出电路接口与采集系统配合
采用脉冲工作方式,雷达液位计发射功率极低,对人体及环境均无伤害
技术参数:
测量范围:30M 70M
测量精度: ±3mm
过程温度:-40-150°C
过程压力:-0.1-4MPa
频率范围:26G

| 型号 | ZLD-202/204 |
| 应用场合 | 河道、湖泊、浅滩水位测量 |
| 测量范围 | 30M/70m |
| 测量精度 | ±3mm |
| 过程温度 | (-40~150)℃ |
| 过程压力 | (-0.1~4 ) MPa |
| 频率范围 | 26GHz |
| 信号输出 | RS485/Modbus 协议 |
| 供电方式 | 四线制(DC24V / AC220V ) |
| 现场显示 | 默认显示 |
| 壳体 | 铸铝、不锈钢 |
| 天线结构 | 螺纹G1½ʺ A / 支架/法兰 |
| 天线材料 | 不锈钢316L |
| 螺纹规格 | DN50/ DN80/ DN100不锈钢法兰/不锈钢万向节法兰/螺纹 G1½A/不锈钢316L 螺纹 1½NPT/不锈钢316L |
| 防爆等级 | 标准型(非防爆)、本安型(Exia IIC T6)、 本安型+隔爆型(Exd [ia]ia IIC T6) |
| 防护等级 | IP67 / IP65 |
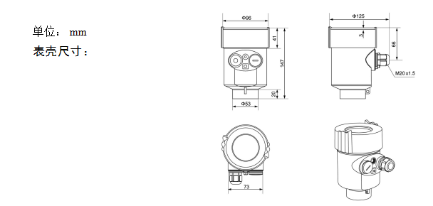
结构尺寸

